professional factory for Step Up Transformer In Hindi - LCT-4 Zero-sequence Current Transformer – Aiso

professional factory for Step Up Transformer In Hindi - LCT-4 Zero-sequence Current Transformer – Aiso
Our organization sticks to your principle of "Quality may be the life of your organization, and reputation will be the soul of it" for The Single Phase Transformer, Capacitor Power Storage, High Voltage Fuse, Adhering to the business philosophy of 'customer first, forge ahead', we sincerely welcome clients from at home and abroad to cooperate with us give you best service!
professional factory for Step Up Transformer In Hindi - LCT-4 Zero-sequence Current Transformer – Aiso Detail:

Summary

This zero-sequence current transformer has such characteristics as high precision. Good linearity, reliable, reliable operation, easy installation, expecially this transformer can be applied to system of zero-sequence current 1A and 2A while conventional zero-sequence transfomer can not. The exterior design is two central-circle combined type, novel structure, beautiful and reasonable. The products can be used for power supply system in the fields of electric power, metallurgy, coil, petroleum, chemical industry, building material and other industries.

Technical parameter

1,Operating environment

a,Environmental temperature:-20℃~50℃

b, Relative humidity:≤90%

c, Atmospheric pressure:80kpa~200kpa

2, AC Voltage:66kV~4000kV

3, Zero-sequence current:

Primary side 1~36A(customize for 36A or above, secondary side 20~30mA)

4, Electric network frequency:50Hz

5, The terminal used with ML98 device-using explanation

System primary zero-sequence current(A) Selected terminal
1≤I0<6 S1, S2
6≤I0<12 S1, S3
12≤I0<36 S1, S4

6,Secondary load:≤2.5Ω

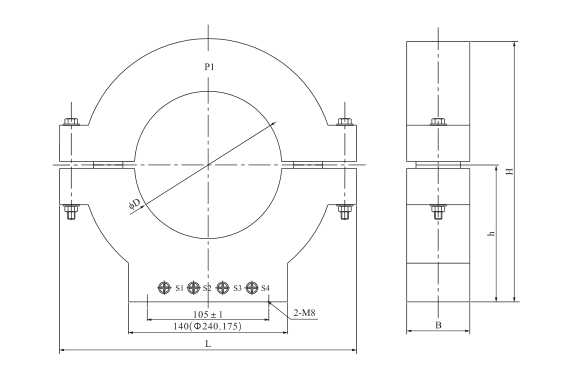
Outline and installation dimension

LCT-4 Zero-sequence Current Transformer

v:* {behavior:url(#default#VML);}
o:* {behavior:url(#default#VML);}
x:* {behavior:url(#default#VML);}
.shape {behavior:url(#default#VML);}

Type Bore¢D Width L Height H Center height h Thickness B Thickness B Mounting size(mm)
LCT-7 ¢185 280 348 205 60 145 147*94
LCT-5 ¢150 255 315 184 57 142 147*93

Zero-sequence Current Transformer

v:* {behavior:url(#default#VML);}
o:* {behavior:url(#default#VML);}
x:* {behavior:url(#default#VML);}
.shape {behavior:url(#default#VML);}

Type Bore¢D Width L Height H Center height h Thickness B Mounting size and bolt spec(M8*25)
LCT-9 ¢240 400 375 200 65 118±0.5
LCT-4 ¢150 256 228 120 55 105±0.5
LCT-3 ¢100 256 228 120 55 105±0.5
LCT-2 ¢80 210 200 106 55 110±0.5

Manufacturer Price 20kV Current Transformer With Good Quality


Product detail pictures:

professional factory for Step Up Transformer In Hindi - LCT-4 Zero-sequence Current Transformer – Aiso detail pictures

professional factory for Step Up Transformer In Hindi - LCT-4 Zero-sequence Current Transformer – Aiso detail pictures

professional factory for Step Up Transformer In Hindi - LCT-4 Zero-sequence Current Transformer – Aiso detail pictures


Related Product Guide:

Our firm aims to operating faithfully, serving to all of our consumers , and working in new technology and new machine continually for professional factory for Step Up Transformer In Hindi - LCT-4 Zero-sequence Current Transformer – Aiso, The product will supply to all over the world, such as: Zurich, Brunei, Algeria, Our company warmly invites domestic and overseas customers to come and negotiate business with us. Allow us to join hands to create a brilliant tomorrow! We've been looking forward to cooperating with you sincerely to achieve a win-win situation. We promise to try our best to deliver you with high quality and efficient services.
Leave Your Message
Send Your Inquiry Now