OEM/ODM Supplier Current Transformer Step Up - LCT-4 Zero-sequence Current Transformer – Aiso

OEM/ODM Supplier Current Transformer Step Up - LCT-4 Zero-sequence Current Transformer – Aiso
The purchaser fulfillment is our primary focus on. We uphold a consistent level of professionalism, high quality, credibility and service for Xfmr Power Transformer, 24kv Lightning Arrester, Three Phase Circuit Breaker, Our business has already setup a professional, creative and responsible workforce to develop purchasers together with the multi-win principle.
OEM/ODM Supplier Current Transformer Step Up - LCT-4 Zero-sequence Current Transformer – Aiso Detail:

Summary

This zero-sequence current transformer has such characteristics as high precision. Good linearity, reliable, reliable operation, easy installation, expecially this transformer can be applied to system of zero-sequence current 1A and 2A while conventional zero-sequence transfomer can not. The exterior design is two central-circle combined type, novel structure, beautiful and reasonable. The products can be used for power supply system in the fields of electric power, metallurgy, coil, petroleum, chemical industry, building material and other industries.

Technical parameter

1,Operating environment

a,Environmental temperature:-20℃~50℃

b, Relative humidity:≤90%

c, Atmospheric pressure:80kpa~200kpa

2, AC Voltage:66kV~4000kV

3, Zero-sequence current:

Primary side 1~36A(customize for 36A or above, secondary side 20~30mA)

4, Electric network frequency:50Hz

5, The terminal used with ML98 device-using explanation

System primary zero-sequence current(A) Selected terminal
1≤I0<6 S1, S2
6≤I0<12 S1, S3
12≤I0<36 S1, S4

6,Secondary load:≤2.5Ω

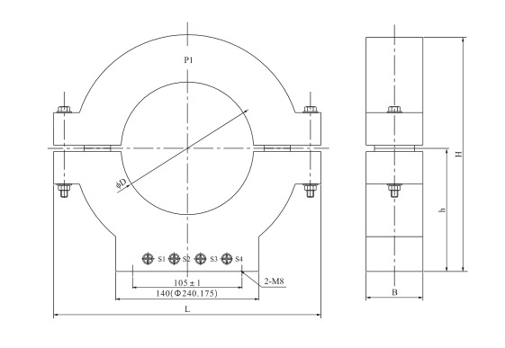
Outline and installation dimension

LCT-4 Zero-sequence Current Transformer

v:* {behavior:url(#default#VML);}
o:* {behavior:url(#default#VML);}
x:* {behavior:url(#default#VML);}
.shape {behavior:url(#default#VML);}

Type Bore¢D Width L Height H Center height h Thickness B Thickness B Mounting size(mm)
LCT-7 ¢185 280 348 205 60 145 147*94
LCT-5 ¢150 255 315 184 57 142 147*93

Zero-sequence Current Transformer

v:* {behavior:url(#default#VML);}
o:* {behavior:url(#default#VML);}
x:* {behavior:url(#default#VML);}
.shape {behavior:url(#default#VML);}

Type Bore¢D Width L Height H Center height h Thickness B Mounting size and bolt spec(M8*25)
LCT-9 ¢240 400 375 200 65 118±0.5
LCT-4 ¢150 256 228 120 55 105±0.5
LCT-3 ¢100 256 228 120 55 105±0.5
LCT-2 ¢80 210 200 106 55 110±0.5

Manufacturer Price 20kV Current Transformer With Good Quality


Product detail pictures:

OEM/ODM Supplier Current Transformer Step Up - LCT-4 Zero-sequence Current Transformer – Aiso detail pictures

OEM/ODM Supplier Current Transformer Step Up - LCT-4 Zero-sequence Current Transformer – Aiso detail pictures

OEM/ODM Supplier Current Transformer Step Up - LCT-4 Zero-sequence Current Transformer – Aiso detail pictures


Related Product Guide:

Sticking to the perception of "Creating products of top of the range and earning mates with people today from all over the world", we constantly put the desire of consumers in the first place for OEM/ODM Supplier Current Transformer Step Up - LCT-4 Zero-sequence Current Transformer – Aiso, The product will supply to all over the world, such as: Bogota, Israel, Algeria, High output volume, top quality, timely delivery and your satisfaction are guaranteed. We welcome all inquiries and comments. If you are interested in any of our products or have an OEM order to fulfill, please feel free to contact us now. Working with us will save you money and time.
Leave Your Message
Send Your Inquiry Now