OEM/ODM Factory Power Current Transformer - LCT-4 Zero-sequence Current Transformer – Aiso

OEM/ODM Factory Power Current Transformer - LCT-4 Zero-sequence Current Transformer – Aiso
We know that we only thrive if we can guarantee our combined price competiveness and quality advantageous at the same time for Dc Surge Arrester, Neon Transformer Voltage, Ac Voltage Transformer, It is our great honor to meet your demands.We sincerely hope we can cooperate with you in the near future.
OEM/ODM Factory Power Current Transformer - LCT-4 Zero-sequence Current Transformer – Aiso Detail:

Summary

This zero-sequence current transformer has such characteristics as high precision. Good linearity, reliable, reliable operation, easy installation, expecially this transformer can be applied to system of zero-sequence current 1A and 2A while conventional zero-sequence transfomer can not. The exterior design is two central-circle combined type, novel structure, beautiful and reasonable. The products can be used for power supply system in the fields of electric power, metallurgy, coil, petroleum, chemical industry, building material and other industries.

Technical parameter

1,Operating environment

a,Environmental temperature:-20℃~50℃

b, Relative humidity:≤90%

c, Atmospheric pressure:80kpa~200kpa

2, AC Voltage:66kV~4000kV

3, Zero-sequence current:

Primary side 1~36A(customize for 36A or above, secondary side 20~30mA)

4, Electric network frequency:50Hz

5, The terminal used with ML98 device-using explanation

System primary zero-sequence current(A) Selected terminal
1≤I0<6 S1, S2
6≤I0<12 S1, S3
12≤I0<36 S1, S4

6,Secondary load:≤2.5Ω

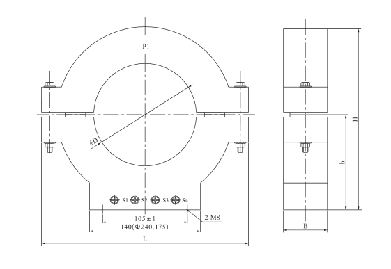
Outline and installation dimension

LCT-4 Zero-sequence Current Transformer

v:* {behavior:url(#default#VML);}
o:* {behavior:url(#default#VML);}
x:* {behavior:url(#default#VML);}
.shape {behavior:url(#default#VML);}

Type Bore¢D Width L Height H Center height h Thickness B Thickness B Mounting size(mm)
LCT-7 ¢185 280 348 205 60 145 147*94
LCT-5 ¢150 255 315 184 57 142 147*93

Zero-sequence Current Transformer

v:* {behavior:url(#default#VML);}
o:* {behavior:url(#default#VML);}
x:* {behavior:url(#default#VML);}
.shape {behavior:url(#default#VML);}

Type Bore¢D Width L Height H Center height h Thickness B Mounting size and bolt spec(M8*25)
LCT-9 ¢240 400 375 200 65 118±0.5
LCT-4 ¢150 256 228 120 55 105±0.5
LCT-3 ¢100 256 228 120 55 105±0.5
LCT-2 ¢80 210 200 106 55 110±0.5

Manufacturer Price 20kV Current Transformer With Good Quality


Product detail pictures:

OEM/ODM Factory Power Current Transformer - LCT-4 Zero-sequence Current Transformer – Aiso detail pictures

OEM/ODM Factory Power Current Transformer - LCT-4 Zero-sequence Current Transformer – Aiso detail pictures

OEM/ODM Factory Power Current Transformer - LCT-4 Zero-sequence Current Transformer – Aiso detail pictures


Related Product Guide:

The company upholds the philosophy of "Be No.1 in quality, be rooted on credit and trustworthiness for growth", will continue to serve old and new customers from home and overseas whole-heatedly for OEM/ODM Factory Power Current Transformer - LCT-4 Zero-sequence Current Transformer – Aiso, The product will supply to all over the world, such as: Spain, Somalia, Philippines, With the intensified strength and more reliable credit, we are here to serve our customers by providing the highest quality and service, and we sincerely appreciate your support. We will endeavor to maintain our great reputation as the best products supplier in the world. If you have any questions or comments, please contact with us freely.
Leave Your Message
Send Your Inquiry Now