Good quality Earthing For Lightning Arrester - M Type 800A 3Pole MCCB Moulded Case Circuit Breaker – Aiso

Good quality Earthing For Lightning Arrester - M Type 800A 3Pole MCCB Moulded Case Circuit Breaker – Aiso
We enjoy an extremely good status among our prospects for our great merchandise top quality, competitive price and the ideal service for Changeover Switch 250a, Earthing Lightning Arrester, Gapless Type Lightning Arrester, We are keeping chasing WIN-WIN situation with our clients. We warmly welcome clients from all over the world coming over for a visit and establishing long term relationship.
Good quality Earthing For Lightning Arrester - M Type 800A 3Pole MCCB Moulded Case Circuit Breaker – Aiso Detail:

General

Comply with GB14048.2008 standards;
Rated insulation voltage:800V;
Frame size rated current:63A; 100A; 225A; 400A; 630A; 800A;
High breaking capacity: up to 100kA;
Reasonable design, safe and reliable, samll size, light weight, beautiful appearance;
Accessories everything, quick installation, easy to use, strong applicability.
Main technical parameters
Model Frame size rated current(A) Rated current(A) Rated ultimate short circuit breaking capacity(kA)400V Rated operating short circuit breaking capacity(kA)400v Arcing distance(mm) Rated impulse withstand voltage Uimp(kV)
ASM1-800M/3300 800 400, 500, 630 75 50 ≤100 8

 

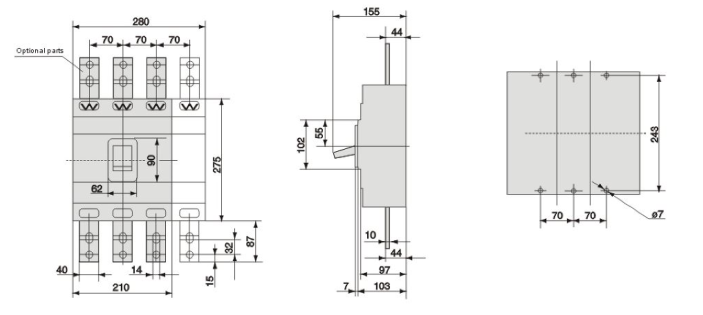
Overall dimension and installation dimension

Product detail pictures:

Good quality Earthing For Lightning Arrester - M Type 800A 3Pole MCCB Moulded Case Circuit Breaker – Aiso detail pictures

Good quality Earthing For Lightning Arrester - M Type 800A 3Pole MCCB Moulded Case Circuit Breaker – Aiso detail pictures

Good quality Earthing For Lightning Arrester - M Type 800A 3Pole MCCB Moulded Case Circuit Breaker – Aiso detail pictures


Related Product Guide:

We thinks what prospects think, the urgency of urgency to act from the interests of a client position of theory, allowing for greater high-quality, reduced processing costs, rates are much more reasonable, won the new and previous consumers the support and affirmation for Good quality Earthing For Lightning Arrester - M Type 800A 3Pole MCCB Moulded Case Circuit Breaker – Aiso, The product will supply to all over the world, such as: Detroit, Guyana, Mozambique, We also have the strong ability of integration to supply our best service, and plan to build the warehouse in the different countries around the world, that will be more conveniently to service our customers.
Leave Your Message
Send Your Inquiry Now