Factory supplied Step Up Autotransformer - LCT-4 Zero-sequence Current Transformer – Aiso

Factory supplied Step Up Autotransformer - LCT-4 Zero-sequence Current Transformer – Aiso
So as to provide you with ease and enlarge our business, we even have inspectors in QC Crew and guarantee you our best company and solution for Medium Voltage Transformer, Double Pole Changeover Switch, Knife Type Changeover Switch, We welcome new and previous clients from all walks of lifestyle to get in touch with us for long term business relationships and mutual accomplishment!
Factory supplied Step Up Autotransformer - LCT-4 Zero-sequence Current Transformer – Aiso Detail:

Summary

This zero-sequence current transformer has such characteristics as high precision. Good linearity, reliable, reliable operation, easy installation, expecially this transformer can be applied to system of zero-sequence current 1A and 2A while conventional zero-sequence transfomer can not. The exterior design is two central-circle combined type, novel structure, beautiful and reasonable. The products can be used for power supply system in the fields of electric power, metallurgy, coil, petroleum, chemical industry, building material and other industries.

Technical parameter

1,Operating environment

a,Environmental temperature:-20℃~50℃

b, Relative humidity:≤90%

c, Atmospheric pressure:80kpa~200kpa

2, AC Voltage:66kV~4000kV

3, Zero-sequence current:

Primary side 1~36A(customize for 36A or above, secondary side 20~30mA)

4, Electric network frequency:50Hz

5, The terminal used with ML98 device-using explanation

System primary zero-sequence current(A) Selected terminal
1≤I0<6 S1, S2
6≤I0<12 S1, S3
12≤I0<36 S1, S4

6,Secondary load:≤2.5Ω

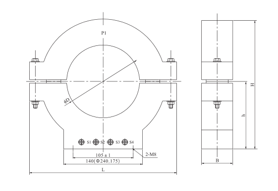
Outline and installation dimension

LCT-4 Zero-sequence Current Transformer

v:* {behavior:url(#default#VML);}
o:* {behavior:url(#default#VML);}
x:* {behavior:url(#default#VML);}
.shape {behavior:url(#default#VML);}

Type Bore¢D Width L Height H Center height h Thickness B Thickness B Mounting size(mm)
LCT-7 ¢185 280 348 205 60 145 147*94
LCT-5 ¢150 255 315 184 57 142 147*93

Zero-sequence Current Transformer

v:* {behavior:url(#default#VML);}
o:* {behavior:url(#default#VML);}
x:* {behavior:url(#default#VML);}
.shape {behavior:url(#default#VML);}

Type Bore¢D Width L Height H Center height h Thickness B Mounting size and bolt spec(M8*25)
LCT-9 ¢240 400 375 200 65 118±0.5
LCT-4 ¢150 256 228 120 55 105±0.5
LCT-3 ¢100 256 228 120 55 105±0.5
LCT-2 ¢80 210 200 106 55 110±0.5

Manufacturer Price 20kV Current Transformer With Good Quality


Product detail pictures:

Factory supplied Step Up Autotransformer - LCT-4 Zero-sequence Current Transformer – Aiso detail pictures

Factory supplied Step Up Autotransformer - LCT-4 Zero-sequence Current Transformer – Aiso detail pictures

Factory supplied Step Up Autotransformer - LCT-4 Zero-sequence Current Transformer – Aiso detail pictures


Related Product Guide:

It adheres to the tenet "Honest, industrious, enterprising, innovative" to develop new products constantly. It regards customers, success as its own success. Let us develop prosperous future hand in hand for Factory supplied Step Up Autotransformer - LCT-4 Zero-sequence Current Transformer – Aiso, The product will supply to all over the world, such as: Swansea, European, US, Corporate goal: Customers' satisfaction is our goal, and sincerely hope to establish long-terms stable cooperative relations with customers to jointly develop the market. Building brilliant tomorrow together!Our company regards "reasonable prices, efficient production time and good after-sales service" as our tenet. We hope to cooperate with more customers for mutual development and benefits. We welcome potential buyers to contact us.
Leave Your Message
Send Your Inquiry Now