Factory source Constant Voltage Transformer - LCT-4 Zero-sequence Current Transformer – Aiso

Factory source Constant Voltage Transformer - LCT-4 Zero-sequence Current Transformer – Aiso
Dedicated to strict high-quality management and considerate purchaser support, our experienced employees members are usually available to discuss your specifications and be certain full shopper satisfaction for Motorised Changeover Switch, A Single Phase Transformer, Smart Circuit Breaker, We are willing to cooperate with business friends from at home and abroad and create a great future together.
Factory source Constant Voltage Transformer - LCT-4 Zero-sequence Current Transformer – Aiso Detail:

Summary

This zero-sequence current transformer has such characteristics as high precision. Good linearity, reliable, reliable operation, easy installation, expecially this transformer can be applied to system of zero-sequence current 1A and 2A while conventional zero-sequence transfomer can not. The exterior design is two central-circle combined type, novel structure, beautiful and reasonable. The products can be used for power supply system in the fields of electric power, metallurgy, coil, petroleum, chemical industry, building material and other industries.

Technical parameter

1,Operating environment

a,Environmental temperature:-20℃~50℃

b, Relative humidity:≤90%

c, Atmospheric pressure:80kpa~200kpa

2, AC Voltage:66kV~4000kV

3, Zero-sequence current:

Primary side 1~36A(customize for 36A or above, secondary side 20~30mA)

4, Electric network frequency:50Hz

5, The terminal used with ML98 device-using explanation

System primary zero-sequence current(A) Selected terminal
1≤I0<6 S1, S2
6≤I0<12 S1, S3
12≤I0<36 S1, S4

6,Secondary load:≤2.5Ω

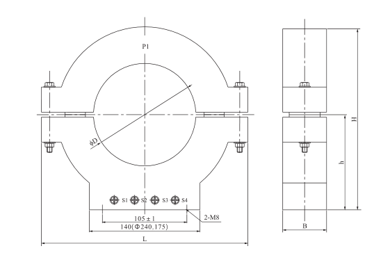
Outline and installation dimension

LCT-4 Zero-sequence Current Transformer

v:* {behavior:url(#default#VML);}
o:* {behavior:url(#default#VML);}
x:* {behavior:url(#default#VML);}
.shape {behavior:url(#default#VML);}

Type Bore¢D Width L Height H Center height h Thickness B Thickness B Mounting size(mm)
LCT-7 ¢185 280 348 205 60 145 147*94
LCT-5 ¢150 255 315 184 57 142 147*93

Zero-sequence Current Transformer

v:* {behavior:url(#default#VML);}
o:* {behavior:url(#default#VML);}
x:* {behavior:url(#default#VML);}
.shape {behavior:url(#default#VML);}

Type Bore¢D Width L Height H Center height h Thickness B Mounting size and bolt spec(M8*25)
LCT-9 ¢240 400 375 200 65 118±0.5
LCT-4 ¢150 256 228 120 55 105±0.5
LCT-3 ¢100 256 228 120 55 105±0.5
LCT-2 ¢80 210 200 106 55 110±0.5

Manufacturer Price 20kV Current Transformer With Good Quality


Product detail pictures:

Factory source Constant Voltage Transformer - LCT-4 Zero-sequence Current Transformer – Aiso detail pictures

Factory source Constant Voltage Transformer - LCT-4 Zero-sequence Current Transformer – Aiso detail pictures

Factory source Constant Voltage Transformer - LCT-4 Zero-sequence Current Transformer – Aiso detail pictures


Related Product Guide:

We always continually offer you the most conscientious purchaser services, and the widest variety of designs and styles with finest materials. These efforts include the availability of customized designs with speed and dispatch for Factory source Constant Voltage Transformer - LCT-4 Zero-sequence Current Transformer – Aiso, The product will supply to all over the world, such as: Costa rica, Manchester, St. Petersburg, Our domestic website's generated over 50, 000 purchasing orders every year and quite successful for internet shopping in Japan. We would be happy to have an opportunity to do business with your company. Looking forward to receiving your message !
Leave Your Message
Send Your Inquiry Now