Factory making Use Of Step Up Transformer - LCT-4 Zero-sequence Current Transformer – Aiso

Factory making Use Of Step Up Transformer - LCT-4 Zero-sequence Current Transformer – Aiso
Our advantages are lower prices,dynamic sales team,specialized QC,strong factories,high quality products and services for Mini Step Up Transformer, Constant Voltage Transformer, 2 Kvar Power Capacitor, At present, company name has more than 4000 kinds of products and gained good reputation and big shares on market domestic and overseas.
Factory making Use Of Step Up Transformer - LCT-4 Zero-sequence Current Transformer – Aiso Detail:

Low Current Transformer Summary

This zero-sequence current transformer has such characteristics as high precision. Good linearity, reliable, reliable operation, easy installation, expecially this transformer can be applied to system of zero-sequence current 1A and 2A while conventional zero-sequence transfomer can not. The exterior design is two central-circle combined type, novel structure, beautiful and reasonable. The products can be used for power supply system in the fields of electric power, metallurgy, coil, petroleum, chemical industry, building material and other industries.

Technical parameter

1,Operating environment

a,Environmental temperature:-20℃~50℃

b, Relative humidity:≤90%

c, Atmospheric pressure:80kpa~200kpa

2, AC Voltage:66kV~4000kV

3, Zero-sequence current:

Primary side 1~36A(customize for 36A or above, secondary side 20~30mA)

4, Electric network frequency:50Hz

5, The terminal used with ML98 device-using explanation

System primary zero-sequence current(A) Selected terminal
1≤I0<6 S1, S2
6≤I0<12 S1, S3
12≤I0<36 S1, S4

6,Secondary load:≤2.5Ω

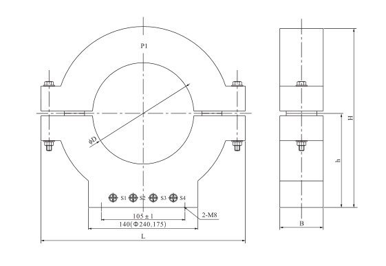
Outline and installation dimension

LCT-4 Zero-sequence Current Transformer

v:* {behavior:url(#default#VML);}
o:* {behavior:url(#default#VML);}
x:* {behavior:url(#default#VML);}
.shape {behavior:url(#default#VML);}

Type Bore¢D Width L Height H Center height h Thickness B Thickness B Mounting size(mm)
LCT-7 ¢185 280 348 205 60 145 147*94
LCT-5 ¢150 255 315 184 57 142 147*93

Zero-sequence Current Transformer

v:* {behavior:url(#default#VML);}
o:* {behavior:url(#default#VML);}
x:* {behavior:url(#default#VML);}
.shape {behavior:url(#default#VML);}

Type Bore¢D Width L Height H Center height h Thickness B Mounting size and bolt spec(M8*25)
LCT-9 ¢240 400 375 200 65 118±0.5
LCT-4 ¢150 256 228 120 55 105±0.5
LCT-3 ¢100 256 228 120 55 105±0.5
LCT-2 ¢80 210 200 106 55 110±0.5

Manufacturer Price 20kV Current Transformer With Good Quality

Contact us for more details and quotations


Product detail pictures:

Factory making Use Of Step Up Transformer - LCT-4 Zero-sequence Current Transformer – Aiso detail pictures

Factory making Use Of Step Up Transformer - LCT-4 Zero-sequence Current Transformer – Aiso detail pictures

Factory making Use Of Step Up Transformer - LCT-4 Zero-sequence Current Transformer – Aiso detail pictures


Related Product Guide:

We are proud of the superior customer gratification and wide acceptance due to our persistent pursuit of top of the range both of those on merchandise and service for Factory making Use Of Step Up Transformer - LCT-4 Zero-sequence Current Transformer – Aiso, The product will supply to all over the world, such as: Israel, Cyprus, Armenia, Facing fierce global market competition, we have launched the brand building strategy and updated the spirit of "human-oriented and faithful service", with an aim to gain global recognition and sustainable development.
Leave Your Message
Send Your Inquiry Now