Low Current Transformer Summary
This zero-sequence current transformer has such characteristics as high precision. Good linearity, reliable, reliable operation, easy installation, expecially this transformer can be applied to system of zero-sequence current 1A and 2A while conventional zero-sequence transfomer can not. The exterior design is two central-circle combined type, novel structure, beautiful and reasonable. The products can be used for power supply system in the fields of electric power, metallurgy, coil, petroleum, chemical industry, building material and other industries.
Technical parameter
1,Operating environment
a,Environmental temperature:-20℃~50℃
b, Relative humidity:≤90%
c, Atmospheric pressure:80kpa~200kpa
2, AC Voltage:66kV~4000kV
3, Zero-sequence current:
Primary side 1~36A(customize for 36A or above, secondary side 20~30mA)
4, Electric network frequency:50Hz
5, The terminal used with ML98 device-using explanation
| System primary zero-sequence current(A) | Selected terminal |
| 1≤I0<6 | S1, S2 |
| 6≤I0<12 | S1, S3 |
| 12≤I0<36 | S1, S4 |
6,Secondary load:≤2.5Ω
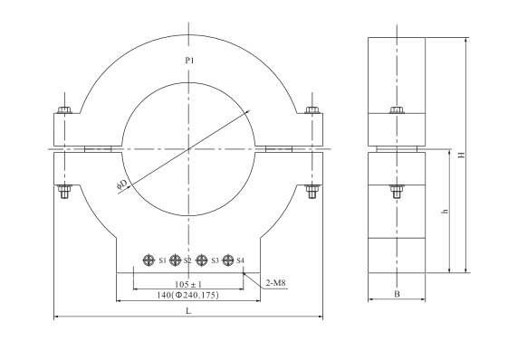
Outline and installation dimension

v:* {behavior:url(#default#VML);}
o:* {behavior:url(#default#VML);}
x:* {behavior:url(#default#VML);}
.shape {behavior:url(#default#VML);}
| Type | Bore¢D | Width L | Height H | Center height h | Thickness B | Thickness B | Mounting size(mm) |
| LCT-7 | ¢185 | 280 | 348 | 205 | 60 | 145 | 147*94 |
| LCT-5 | ¢150 | 255 | 315 | 184 | 57 | 142 | 147*93 |

v:* {behavior:url(#default#VML);}
o:* {behavior:url(#default#VML);}
x:* {behavior:url(#default#VML);}
.shape {behavior:url(#default#VML);}
| Type | Bore¢D | Width L | Height H | Center height h | Thickness B | Mounting size and bolt spec(M8*25) |
| LCT-9 | ¢240 | 400 | 375 | 200 | 65 | 118±0.5 |
| LCT-4 | ¢150 | 256 | 228 | 120 | 55 | 105±0.5 |
| LCT-3 | ¢100 | 256 | 228 | 120 | 55 | 105±0.5 |
| LCT-2 | ¢80 | 210 | 200 | 106 | 55 | 110±0.5 |

Contact us for more details and quotations


