2018 Good Quality A Common Step Up Transformer - LCT-4 Zero-sequence Current Transformer – Aiso

2018 Good Quality A Common Step Up Transformer - LCT-4 Zero-sequence Current Transformer – Aiso
We are ready to share our knowledge of marketing worldwide and recommend you suitable products at most competitive prices. So Profi Tools offer you best value of money and we are ready to develop together with Fire Alarm Circuit Breaker, 4p Acb, Dc Step Down Transformer, We warmly welcome mates from all walks of life to hunt mutual cooperation and develop a more good and splendid tomorrow.
2018 Good Quality A Common Step Up Transformer - LCT-4 Zero-sequence Current Transformer – Aiso Detail:

Summary

This zero-sequence current transformer has such characteristics as high precision. Good linearity, reliable, reliable operation, easy installation, expecially this transformer can be applied to system of zero-sequence current 1A and 2A while conventional zero-sequence transfomer can not. The exterior design is two central-circle combined type, novel structure, beautiful and reasonable. The products can be used for power supply system in the fields of electric power, metallurgy, coil, petroleum, chemical industry, building material and other industries.

Technical parameter

1,Operating environment

a,Environmental temperature:-20℃~50℃

b, Relative humidity:≤90%

c, Atmospheric pressure:80kpa~200kpa

2, AC Voltage:66kV~4000kV

3, Zero-sequence current:

Primary side 1~36A(customize for 36A or above, secondary side 20~30mA)

4, Electric network frequency:50Hz

5, The terminal used with ML98 device-using explanation

System primary zero-sequence current(A) Selected terminal
1≤I0<6 S1, S2
6≤I0<12 S1, S3
12≤I0<36 S1, S4

6,Secondary load:≤2.5Ω

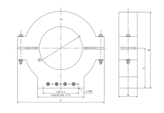
Outline and installation dimension

LCT-4 Zero-sequence Current Transformer

v:* {behavior:url(#default#VML);}
o:* {behavior:url(#default#VML);}
x:* {behavior:url(#default#VML);}
.shape {behavior:url(#default#VML);}

Type Bore¢D Width L Height H Center height h Thickness B Thickness B Mounting size(mm)
LCT-7 ¢185 280 348 205 60 145 147*94
LCT-5 ¢150 255 315 184 57 142 147*93

Zero-sequence Current Transformer

v:* {behavior:url(#default#VML);}
o:* {behavior:url(#default#VML);}
x:* {behavior:url(#default#VML);}
.shape {behavior:url(#default#VML);}

Type Bore¢D Width L Height H Center height h Thickness B Mounting size and bolt spec(M8*25)
LCT-9 ¢240 400 375 200 65 118±0.5
LCT-4 ¢150 256 228 120 55 105±0.5
LCT-3 ¢100 256 228 120 55 105±0.5
LCT-2 ¢80 210 200 106 55 110±0.5

Manufacturer Price 20kV Current Transformer With Good Quality


Product detail pictures:

2018 Good Quality A Common Step Up Transformer - LCT-4 Zero-sequence Current Transformer – Aiso detail pictures

2018 Good Quality A Common Step Up Transformer - LCT-4 Zero-sequence Current Transformer – Aiso detail pictures

2018 Good Quality A Common Step Up Transformer - LCT-4 Zero-sequence Current Transformer – Aiso detail pictures


Related Product Guide:

We continuously execute our spirit of ''Innovation bringing development, Highly-quality ensuring subsistence, Management advertising and marketing gain, Credit history attracting buyers for 2018 Good Quality A Common Step Up Transformer - LCT-4 Zero-sequence Current Transformer – Aiso, The product will supply to all over the world, such as: Lisbon, Colombia, Bahamas, we are now looking forward to even greater cooperation with overseas customers based on mutual benefits. We will work wholeheartedly to improve our products and services. We also promise to work jointly with business partners to elevate our cooperation to a higher level and share success together. Warmly welcome you to visit our factory sincerely.
Leave Your Message
Send Your Inquiry Now